首页
产品中心
空心杯有刷电机系列
1024R
1215R
1220R
1230R
1320R
1515R
1620R
1715R
1722R
1725R(2.0轴)
1725R(美甲)
1725R(纹身)
2643RC
3265RC
3570RC
空心杯无刷电机系列
1215RB
1515RB
1518RB
1636RB
1659RB
1715RB(3+5P)
1718RB(8P)
1722RB(3+5P)
2050RB
2230RB
2232RB
2260RB
2438RB(工具)
2447RB(工具)
2453RB(工具)
空心杯无刷两对极系列
1215RD
1218RD
1518RD
1715RD
1718RD
1722RD
2330RD
2355RD
2835RD
3247RD
3264RD
编码器系列
Φ10mm 编码器(增量式)
Φ10mm 编码器(绝对式)
Φ16mm 编码器(增量式)
Φ16mm 编码器(绝对式)
Φ22mm 编码器(增量式)
Φ22mm 编码器(绝对式)
行星减速箱系列
G08XH 行星减速箱
G10MF/T 行星减速箱
G12MF/T 行星减速箱
G12XL 行星减速箱
G13MF/T 行星减速箱
G13XL 行星减速箱
G16MF/T 行星减速箱
G22MF/T 行星减速箱
G28MT 行星减速箱
GPA32 行星减速箱
GPA35 行星减速箱
无刷驱动器系列
Φ22mm 内置伺服驱动器
Φ23mm 内置伺服驱动器
Φ24mm 内置伺服驱动器
Φ28mm 内置伺服驱动器
应用场景
工业自动化
医疗器械
电动工具
具身智能
特种行业
资讯中心
企业动态
展会活动
行业资讯
常见问题
关于我们
公司介绍
发展历程
企业文化
联系我们
主页
>
产品中心
>
行星减速箱系列
>
G13MF/T 行星减速箱
行星减速箱系列
概述
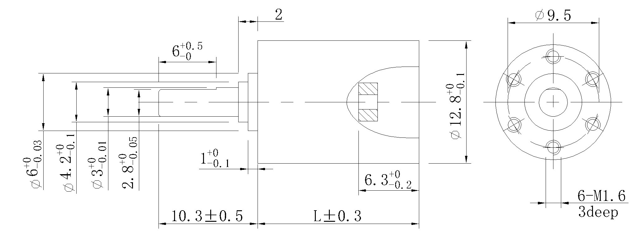
外形图
减速箱参数
资料下载
返回产品中心
概述
G13MF/T 行星减速箱
推荐输入转速:
≤10,000rpm
在线咨询
资料下载
外形图
减速箱参数
资料下载
G13MF/T 行星减速箱资料
朗亿 — 微型驱动系统制造商
专注于研发、生产精密驱动系统,为客户提供智能驱动方案设计,零件的生产与组装的定制化服务
立即咨询 >
在线咨询
服务热线:
15307693218